|
|
Текущее время: 30 дек 2025, 03:52
|
Новый кит генератора на Evo
| Автор |
Сообщение |
|
Strelok
Зарегистрирован: 29 июл 2013, 09:37 Сообщения: 3556 Откуда: Питер
Мотоцикл(ы): Sportster
|
 Re: Новый кит генератора на Evo
Таки вот сел у меня акум в пути... и ще много раз сел, пока я пробирался до дома без одной фазы переодически делая остановки от того что на искру нет напряжения и прикуривал от останавившихся авто. На оборотах около 6ооо. Должно быть больше 90вольт между парами. Вопреки страхам Спрингера напряжение до критических величин не прыгало, может спасла свежая батарея. И чего я оправдываюсь постоянно на этом форуме за правду не знаю... Кстати так мне никто и не ответил почему при рассыпающемся АБК на хд у меня отключались потребители хаотично и не связанно друг с другом, после смены акума пол сезона все впорядке и стартер крутит отлично... Давайте дальше спорить какоц мощности нужен генератор, я за смену на максимально мрщный в паре с РР!
|
| 25 ноя 2014, 21:02 |
|
 |
|
Spocker
Зарегистрирован: 13 апр 2014, 05:47 Сообщения: 300 Откуда: МО, Горки Ленинские
Мотоцикл(ы): FLSTCI 05
|
 Re: Новый кит генератора на Evo
Strelok писал(а): .......я за смену на максимально мрщный в паре с РР! Я тоже за)))))))). Потому как именно так и сделал в свое время. Хотя справедливости ради надо сказать, что и выбора у меня особо не было. Кит от Cycle Electric, который я себе поставил был только на 50 Ампер. Не знаю, может и самообман какой-то, но у меня такое ощущение по первости было, что даже мот пободрее стал. Но это очень субъективно.
|
| 25 ноя 2014, 21:10 |
|
 |
|
Springer
Зарегистрирован: 03 янв 2012, 21:18 Сообщения: 1201 Откуда: Челябинск
Мотоцикл(ы): FLSTFI 2002
|
 Re: Новый кит генератора на Evo
Strelok писал(а): Таки вот сел у меня акум в пути... и ще много раз сел, пока я пробирался до дома без одной фазы переодически делая остановки от того что на искру нет напряжения и прикуривал от останавившихся авто. На оборотах около 6ооо. Должно быть больше 90вольт между парами. Вопреки страхам Спрингера напряжение до критических величин не прыгало, может спасла свежая батарея. И чего я оправдываюсь постоянно на этом форуме за правду не знаю... Кстати так мне никто и не ответил почему при рассыпающемся АБК на хд у меня отключались потребители хаотично и не связанно друг с другом, после смены акума пол сезона все впорядке и стартер крутит отлично... Давайте дальше спорить какоц мощности нужен генератор, я за смену на максимально мрщный в паре с РР! Прыгало почти наверняка. Прибор показывает средневзвешенное значение, а мгновенное можно посмотреть только осцилографом. Что не мешает этим импульсам что-то пожечь. Это везение. Или хорошая защита потребителей. Ну и сгоревшая одна фаза вычитает не 1/3 мощности генератора, а 2/3 как минимум. И дает жутчайшие пульсации напряжения в сети. Опасно. Но твой опыт дает основания для оптимизма. По второму вопросу - еще проще. Рассыпающийся аккумулятор выводит систему зарядки из строя. Обсыпка, подкорачивая пластины, сводит с ума реле-регулятор. И оно начинает выдавать черти-что. Причем может и завышать, и занижать напряжение. Если отключались "умные" потребители, то срабатывала их защита. А если тупые лампочки-фонарики, то либо самовосстанавливающиеся тепловые выключатели, либо просто не хватка напряжения.
|
| 25 ноя 2014, 21:19 |
|
 |
|
LebowskiyJr
КОНСУЛЬТАНТ (электрика)
Зарегистрирован: 04 апр 2011, 09:35 Сообщения: 4590 Откуда: Москва
Мотоцикл(ы): ХLH1000'80
|
 Re: Новый кит генератора на Evo
Я тоже видел - три конца у трехфазников, и всё равно не пойму, что мешает двум живым обмоткам выдавать свои "синусойды" в свои диоды.... Да, тут, пожалуй это лишнее, но всё же. Очень хочется хотя бы в общих чертах разобраться и уменьшить количество слухов вокруг этой проблемы. Давай предположим, что концы обмотки тупо между собой закороченны, или закорочены на землю (оба!) Это ведь совсем не значит, что теперь вся потенциальная мощность генератора выделится на нагрев этой самой обмотки. Соответственно на нагрев реле, как я себе вижу эту проблему, уходит не вся "дурь", на которую способно это устройство при нормальной работе всей цепи - с потребителями, а только связанные с этим переходные процессы. То же и с размыканием, может я чего не понял, но, возможно, не киловатты а именно то тепло, которое выделяется при размыкании любой мощной цепи - когда искра проскакивает в выключателе, ведь в момент размыкания напряжение то в цепи лишь немного превысило номинал, и эта искра (выделяемое тепло) будет зависеть от силы тока, протекавшего именно в этот момент. Предполагаю, что такие переходные процессы всё-же более мощные чем при шунтировании, поэтому и способ предпочтительнее. Стрелок, оправдываться и объяснять - две большие разницы. Лень сразу написать было? Но ведь добрался? Не думаю, что ты вызванным этим недозарядом убился аккумулятор. Да если и убился - б/ушный аккум не намного ценнее, чем мотоэвакуатор, гденить загородом ночью. Про 90 В. спасибо, значит я не очень сильно промазал, тем более, что я то про однофазного гену писал. АКБ как раз является тем буфером, который сглаживает "пляски напряжения" при таком вот способе регулировки. А еще, рассыпающийся аккум может коротить пластинами и сажать напряжение, при этом разным потребителям нужны разные мин.напряжения, чтобы совсем перестать работать. Возможно поэтому ты наблюдал не торжественное умирание всего мотоцикла, а конвульсии.
|
| 25 ноя 2014, 21:40 |
|
 |
|
Strelok
Зарегистрирован: 29 июл 2013, 09:37 Сообщения: 3556 Откуда: Питер
Мотоцикл(ы): Sportster
|
 Re: Новый кит генератора на Evo
Возможно но эти конвульсии были не связаны с собой и тем самым сбивали с толку, а Акум в свою очередь через минут 20 после финиша на тестер выдавал 12.8 чем снимал с себя подозрение...
|
| 25 ноя 2014, 22:20 |
|
 |
|
Pikasso
Зарегистрирован: 19 сен 2013, 00:04 Сообщения: 1069 Откуда: Санкт- Петербург
Мотоцикл(ы): FLTRI 2005г.
|
 Re: Новый кит генератора на Evo
WrongDragon писал(а): Если переходить на 3 фазы, то менять надо и реле и генер. Там количество проводов совпадёт. Я же написал, не? При наращивании мощности тоже всё надо менять. Ты снова не понял. Не те провода которые на генератор, а те которые к мотоциклу. У меня их два, а на трёхфазном три.
|
| 26 ноя 2014, 00:31 |
|
 |
|
WrongDragon
Зарегистрирован: 19 авг 2014, 09:00 Сообщения: 3658 Откуда: Москва
Мотоцикл(ы): FLHTC 1990, XL1200C 1999
|
 Re: Новый кит генератора на Evo
По той ссылке что ты привёл я не вижу третьего провода, всего 5: "+", "-" и три фазы. НО! такие реле действительно есть, их начали ставить на более-менее современные японцы. Смысл там в том, что РР активируется с помощью замка зажигания, без ключа зарядки нет. Надеюсь удовлетворил?  ЗЫ Пока меня где-то носило, мой любимый сайт про РР исчез. Придётся срочно составлять конспект по остаткам.
|
| 26 ноя 2014, 06:58 |
|
 |
|
Springer
Зарегистрирован: 03 янв 2012, 21:18 Сообщения: 1201 Откуда: Челябинск
Мотоцикл(ы): FLSTFI 2002
|
 Re: Новый кит генератора на Evo
LebowskiyJr писал(а): Я тоже видел - три конца у трехфазников, и всё равно не пойму, что мешает двум живым обмоткам выдавать свои "синусойды" в свои диоды.... Общая точка обмоток в звезде ни куда не подключена и не выведена. Т.е. напряжение снимается не с выводов "катушка"-"общая точка", а "1 катушка"-"2 катушка". И обрыв в одной катушке разрывает эту цепь. Причем, для двух цепей! Обыв в катушке 1 не даст работать цепям 1-2 и 1-3. Всё напряжение будет отдаваться только цепью 2-3. И да, признаюсь, я загнался выше. Перенапряжения не будет. Оно было бы как раз в том случае, если бы напряжение снималось относительно общей точки, а уровень гасился на соседнюю обмотку. В нашем случае такой вариант исключен. Будет только импульсный заряд с одной пары катушек, средневзвешенное значение которого будет дико мало. Сгладить такую пульсацию совершенно не возможно. Питаться от генератора в таком режиме ни чего не сможет, вся нагрузка ложится на аккумулятор. И только небольшая подзарядка батареи пульсациями. LebowskiyJr писал(а): Да, тут, пожалуй это лишнее, но всё же. Очень хочется хотя бы в общих чертах разобраться и уменьшить количество слухов вокруг этой проблемы. Давай предположим, что концы обмотки тупо между собой закороченны, или закорочены на землю (оба!) Это ведь совсем не значит, что теперь вся потенциальная мощность генератора выделится на нагрев этой самой обмотки. Соответственно на нагрев реле, как я себе вижу эту проблему, уходит не вся "дурь", на которую способно это устройство при нормальной работе всей цепи - с потребителями, а только связанные с этим переходные процессы. То же и с размыканием, может я чего не понял, но, возможно, не киловатты а именно то тепло, которое выделяется при размыкании любой мощной цепи - когда искра проскакивает в выключателе, ведь в момент размыкания напряжение то в цепи лишь немного превысило номинал, и эта искра (выделяемое тепло) будет зависеть от силы тока, протекавшего именно в этот момент. Предполагаю, что такие переходные процессы всё-же более мощные чем при шунтировании, поэтому и способ предпочтительнее. Ну там не тупо замыкается всё наглухо. А так, аккуратненько.  И как только напряжение падает до нужных нам 14 вольт, снова размыкается. А тут, как раз, идет спад полуволны. И так до следующего периода. Т.е. обмотка коротится приблизительно на 1/4 периода на высоких оборотах, когда отдача большая. И еще меньше на низких, когда отдача меньше. По этому нет такого уж дикого перегрева. И еще, смотри, при шунтировании, напряжение на выходе есть ВСЕГДА. Даже в момент закорачивания оно же не пропадает, а только падает до нужного значения. А при регулировании отключением что будет? Напряжение будет выдаваться в сеть только по фронтам, до достижения 14 вольт, и после падения до них. И чем выше обороты, тем фронты будут круче, следовательно, отдачи напряжения в сеть практически не будет. Что такое 14 вольт, относительно пусть даже 90, которые выдает генер? 12%. Остальные 88% полуволны тупо провисят в воздухе. Собственно, импульсная регулировка и работает на отключение. Но только там частоты на много выше, чем те, которые получаются при вращении генератора. И по этому пульсации относительно легко сглаживаются. Да и при таких частотах тупая резистивная нагрузка воспринимает напряжение как постоянное. А средневзвешенное выходное напряжение остается на уровне шунтирующего реле.
|
| 26 ноя 2014, 07:27 |
|
 |
|
WrongDragon
Зарегистрирован: 19 авг 2014, 09:00 Сообщения: 3658 Откуда: Москва
Мотоцикл(ы): FLHTC 1990, XL1200C 1999
|
 Re: Новый кит генератора на Evo
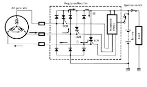
А что будет происходить при замыкании одной из обмоток? ИМХО это более вероятная поломка. Обрыв фазы это я не знаю что должно произойти.... Картинка, я так понял, из Honda Common Service Manual  Схема Ever Est (вечная) я такое реле ставил, запас прочности у него огромный 
|
| 26 ноя 2014, 07:34 |
|
 |
|
Springer
Зарегистрирован: 03 янв 2012, 21:18 Сообщения: 1201 Откуда: Челябинск
Мотоцикл(ы): FLSTFI 2002
|
 Re: Новый кит генератора на Evo
WrongDragon писал(а): А что будет происходить при замыкании одной из обмоток? ИМХО это более вероятная поломка. Обрыв фазы это я не знаю что должно произойти.... Картинка, я так понял, из Honda Common Service Manual  Схема Ever Est (вечная) я такое реле ставил, запас прочности у него огромный  А, вощщем та, нет между этими схемами принципиальной разницы. Нарисованы только по разному. И во второй вместо диодов используется диодный мост. Но включен он так, что работает, как тупо два параллельных диода. Так. Еще мысль закралась. Я чет как-то принял на веру, что ХДешный генератор включен по схеме звезда, как тут сказали раньше. А если же он включен треугольником, то всё не так! И при пропадании одной фазы, останется примерно 2/3 мощности. Но тут еще подумать надо. Во1ых, такое включение маловероятно, т.к. получается, что каждая обмотка нагружена двумя другими последовательно. Во2ых, я чет не готов смоделировать в голове, что начнут выдавать выжившие обмотки с разорваным треугольником. Ведь пропадет паразитная нагрузка на них и все противовключения. Получается, что оставшиеся начнут работать, как два однофазных генератора? Не начнут ли они выдавать больше, чем было и перегружать РР? А что будет при замыкании одной из обмоток - тоже сильно зависит от схемы их включения. Если треугольник, то просто тупо упадет мощность. И сильно возрастет нагрузка на оставшиеся обмотки, т.к. они окажутся нагружены на КЗ+обмотка, а не на обмотка+обмотка. А в случае звезды - надо смотреть, как стоят полюса статора, относительно магнитов. Они могут быть расставлены так, что повышают разницу потенциалов друг друга, а могут и в противофазе со смещением, что бы регулировка напряжения шла еще на стадии выработки. В первом случае, резко упадет напряжение отдачи генератора. На холостых совсем не будет зарядки, а потом будет просто ниже мощность. Во втором - вырастет напряжение, но мощность всё равно упадет. Скорее всего, у нас первый вариант.
|
| 26 ноя 2014, 08:47 |
|
 |
|
LebowskiyJr
КОНСУЛЬТАНТ (электрика)
Зарегистрирован: 04 апр 2011, 09:35 Сообщения: 4590 Откуда: Москва
Мотоцикл(ы): ХLH1000'80
|
 Re: Новый кит генератора на Evo
Ну и чудненько, спасибо, оптимизма у меня по поводу успешности передвижения с поврежденной фазой на трехфазнике поубавилось, но всё же шанс такой имеется, и это уже радует. Но при переходе на более мощный генератор, без изменения количества фаз, всё же, наверное лучше поставить и более мощное РР. А если у него лишний хвост на выходе, нужно просто понять что на него нужно подавать: "+" или "-" )))) третьего в бортовой сети быть не должно.
|
| 26 ноя 2014, 09:44 |
|
 |
|
WrongDragon
Зарегистрирован: 19 авг 2014, 09:00 Сообщения: 3658 Откуда: Москва
Мотоцикл(ы): FLHTC 1990, XL1200C 1999
|
 Re: Новый кит генератора на Evo
LebowskiyJr писал(а): А если у него лишний хвост на выходе, нужно просто понять что на него нужно подавать: "+" или "-" )))) третьего в бортовой сети быть не должно. Увы схемы остались только в голове, на "лишний" провод подаётся плюс от замка. Тогда начинает работать управляющее устройство (Integrated Circuit) в РР.
|
| 26 ноя 2014, 10:03 |
|
 |
|
WrongDragon
Зарегистрирован: 19 авг 2014, 09:00 Сообщения: 3658 Откуда: Москва
Мотоцикл(ы): FLHTC 1990, XL1200C 1999
|
 Re: Новый кит генератора на Evo
Springer писал(а): WrongDragon писал(а): А что будет происходить при замыкании одной из обмоток? ИМХО это более вероятная поломка. Обрыв фазы это я не знаю что должно произойти.... Картинка, я так понял, из Honda Common Service Manual  Схема Ever Est (вечная) я такое реле ставил, запас прочности у него огромный  А, вощщем та, нет между этими схемами принципиальной разницы. Нарисованы только по разному. И во второй вместо диодов используется диодный мост. Но включен он так, что работает, как тупо два параллельных диода. Так. Еще мысль закралась. Я чет как-то принял на веру, что ХДешный генератор включен по схеме звезда, как тут сказали раньше. А если же он включен треугольником, то всё не так! И при пропадании одной фазы, останется примерно 2/3 мощности. Но тут еще подумать надо. Во1ых, такое включение маловероятно, т.к. получается, что каждая обмотка нагружена двумя другими последовательно. Во2ых, я чет не готов смоделировать в голове, что начнут выдавать выжившие обмотки с разорваным треугольником. Ведь пропадет паразитная нагрузка на них и все противовключения. Получается, что оставшиеся начнут работать, как два однофазных генератора? Не начнут ли они выдавать больше, чем было и перегружать РР? А что будет при замыкании одной из обмоток - тоже сильно зависит от схемы их включения. Если треугольник, то просто тупо упадет мощность. И сильно возрастет нагрузка на оставшиеся обмотки, т.к. они окажутся нагружены на КЗ+обмотка, а не на обмотка+обмотка. А в случае звезды - надо смотреть, как стоят полюса статора, относительно магнитов. Они могут быть расставлены так, что повышают разницу потенциалов друг друга, а могут и в противофазе со смещением, что бы регулировка напряжения шла еще на стадии выработки. В первом случае, резко упадет напряжение отдачи генератора. На холостых совсем не будет зарядки, а потом будет просто ниже мощность. Во втором - вырастет напряжение, но мощность всё равно упадет. Скорее всего, у нас первый вариант. Между схемами нет разницы, т.к. человек искал возможно повторить первую схему и один из вариантов - вторая схема. Надо вечером сесть и порисовать временные диаграммы, что там будет происходить, мож ситуация прояснится. Знаю, был прецедент замыкания одной фазы на VFR400, тогда был недозаряд на холостых. На высоких как-то работало. Человек отдал в перемотку  статор и всё наладилось. P.S. Ох и завели меня с этими генераторами, придётся что-то почитать на эту тему.
Последний раз редактировалось WrongDragon 26 ноя 2014, 10:13, всего редактировалось 1 раз.
|
| 26 ноя 2014, 10:11 |
|
 |
|
Springer
Зарегистрирован: 03 янв 2012, 21:18 Сообщения: 1201 Откуда: Челябинск
Мотоцикл(ы): FLSTFI 2002
|
 Re: Новый кит генератора на Evo
А ваще, если генератор сдох, без разницы какой, на нормальном аккумуляторе можно проехать километров 150-200. На инжекторном, конечно, меньше... Выдрать все предохранители, кроме зажигания, запускать мотор с толкача, держать средние обороты и высокие передачи. Выключать мотор при движении с горки и запускаться с ходу к ее окончанию. Когда совсем сдохнет батарейка, покурить полчасика-час и еще удастся проехать сколько-то из-за самовосстановления заряда.
|
| 26 ноя 2014, 10:13 |
|
 |
|
Pikasso
Зарегистрирован: 19 сен 2013, 00:04 Сообщения: 1069 Откуда: Санкт- Петербург
Мотоцикл(ы): FLTRI 2005г.
|
 Re: Новый кит генератора на Evo
Ввиду последних событий, и конского ценника на требуемые девайсы, провёл более подробную инспекцию. Выяснил следующее. Собственно генератор находится в рабочем состоянии. На клеммах до РР, от 14, до 50 вольт, в зависимости от оборотов. Соответственно виновен РР. Заменил, стало лучше, стабильнее так сказать. Вот только не пойму, на прикуривателе напряжение показывает от 12,8, до 13,6. А если в это же время на аккуме мерять, то постепенно поднимается до 14,2 и не меняется. Так и должно быть?
|
| 18 дек 2014, 01:42 |
|
 |
|
WrongDragon
Зарегистрирован: 19 авг 2014, 09:00 Сообщения: 3658 Откуда: Москва
Мотоцикл(ы): FLHTC 1990, XL1200C 1999
|
 Re: Новый кит генератора на Evo
Да, всё нормально. Про прикуриватель я уже писал, он по схеме в цепи аксесуаров, там хватает потребителей, если включишь поворотник, то будет ещё хуже. Его желательно на отдельный предохранитель выбросить.
|
| 18 дек 2014, 06:20 |
|
 |
|
LebowskiyJr
КОНСУЛЬТАНТ (электрика)
Зарегистрирован: 04 апр 2011, 09:35 Сообщения: 4590 Откуда: Москва
Мотоцикл(ы): ХLH1000'80
|
 Re: Новый кит генератора на Evo
Да лан, поворотники то вроде цепью аксессуаров только запускаются через кнопки на руле, а питаются то с других проводов. У турингов 08, например, года вообще прикуриватель не в цепи "Асс" (рыжий с белым провод) а на рыжем с красным, там свой предохр., тоже на 15 А, но на том же, одноименном положении ключа "Асс". какие там еще потребители, не скажу, но если бы там в предохранителе была проблема, он бы и сгорел бы. Каждый потребитель на отдельный предохранитель не повесишь, хотя при желании можно к этому стремиться. Конечно в идеале в любом месте бортовой сети должно быть равное напряжение, да тоько в проводах и соединениях что-то теряется, и чем "дальше" от аккума, чем больше разъемов, чем больше метров провода, чем меньше его сечение, и чем больше там, на том конце потребителей- тем ниже будет напряжение. Не плавится, не искрит, не воняет нигде, положенные 12 В есть? ну и всё нормально значит.
|
| 18 дек 2014, 09:46 |
|
 |
|
WrongDragon
Зарегистрирован: 19 авг 2014, 09:00 Сообщения: 3658 Откуда: Москва
Мотоцикл(ы): FLHTC 1990, XL1200C 1999
|
 Re: Новый кит генератора на Evo
Я специально схему изучал близкого года, человек жаловался, что срансмиттер вырубается. Питание поворотников тоже в цепи "АСС". Просто в современных условиях, когда в прикуриватель может быть включен, например, насос электрический, нужно отдельный пред мутить под него, я считаю. Не обязательно, но всё же. ЗЫ Нашёл, даже год тот же.
|
| 18 дек 2014, 10:03 |
|
 |
|
LebowskiyJr
КОНСУЛЬТАНТ (электрика)
Зарегистрирован: 04 апр 2011, 09:35 Сообщения: 4590 Откуда: Москва
Мотоцикл(ы): ХLH1000'80
|
 Re: Новый кит генератора на Evo
Сорри, 94й - это да. Грусть-пичаль. Ну ладно на спортстерах схемы примитивные вообще были, но на электичках то могли бы провода развязать пограмотнее. Честно говоря, я бы тогда лучше само реле поворотников, лампу стопсигнала, а может и еще чего, отдельным предохранителем, де еще и через релюху какую-нибудь, чтоб в обход замка, запитал.
|
| 18 дек 2014, 10:38 |
|
 |
|
Pikasso
Зарегистрирован: 19 сен 2013, 00:04 Сообщения: 1069 Откуда: Санкт- Петербург
Мотоцикл(ы): FLTRI 2005г.
|
 Re: Новый кит генератора на Evo
Проще и надёжнее на магнитолу отдельный плюс протянуть.
|
| 19 дек 2014, 00:07 |
|
 |
|
Кто сейчас на конференции |
Сейчас этот форум просматривают: нет зарегистрированных пользователей и гости: 10 |
|
Вы не можете начинать темы Вы не можете отвечать на сообщения Вы не можете редактировать свои сообщения Вы не можете удалять свои сообщения Вы не можете добавлять вложения
|
|